搜索
   登录

目录

《齐民要术》中的酿酒术
所属图书:《中国传统酿造:酒醋酱》 出版日期:2014-07-01

《齐民要术》中的酿酒术

现存的最为翔实的记叙两汉至魏晋、北朝时期中国北方、黄河中下游地区酿酒技艺的史籍,当属后魏贾思勰撰写的《齐民要术》。这部著作不仅是中国现存最早、最完整的农学名著,也是世界农学史上最有价值的历史名著之一。贾思勰关于酿造工艺的记叙具有相当的科学性。首先他已清楚地认识到,制曲在酿酒工艺中的关键地位,所以在介绍诸种酿酒法时,必先介绍其相应的制曲法。他把酿造原动力的微生物称作“衣”,并能把制曲归纳起来作专门叙述,表明他的见识卓越。

(注: 《齐民要术》书影)

《齐民要术》着重介绍了当时的9种酒曲。从原料看,有8种用小麦,1种用粟(汉以后,粟指今小米)。8种小麦曲中,有5种属神曲类,2种为笨曲类,1种为白醪曲。无论是神曲或笨曲,都被制成块状,都属于块曲。一般笨曲为大型方块,神曲为小型圆饼或方饼状。所谓“神”与“笨”,是神曲的酿酒效率远比笨曲强,而白醪曲介于二者之间。据《齐民要术》的记载进行推算,神曲类一斗曲杀米少则一石八斗,多至四石,即用曲量占原料米的5.5%~2.5%;笨曲类一斗曲杀米仅六七斗,即用曲量占原料米的16.6%~14.3%;白醪曲一斗杀米一石一斗,占原料米的9.1%。从制曲原料来看,神曲的原料中有3种是以蒸、炒、生的小麦等量配合而成;一种是以蒸、炒小麦各为100,生小麦为115的比例配合而成;还有一种神曲原料,其中蒸、炒、生小麦的比例为6∶3∶1。白醪曲的原料是以蒸、炒、生小麦等量配合。两种笨曲则皆用炒过的小麦为原料。此外以粟米为原料的粟曲,生粟与蒸粟之比为1∶2。这9种曲都没有单纯用生料。尽管小麦经过蒸、炒,有利于霉菌的繁殖,但是当时酿酒对此似乎还缺乏明确的认识,以致由于蒸、炒加工,增加了工序的繁复,北宋以后,制曲大多只用生料,这反映了制曲工艺上的又一进步。

《齐民要术》所介绍的神曲制法,虽有多种,却是大同小异。下面仅举一种,以窥当时神曲制作技艺之一斑。

(注: 《齐民要术》中神曲生产工艺流程)

由该文可见,制神曲中,除了要做好原料的选择、配比及加工外,还应注意:择时,七月取中寅日;取水,在日未出时,这时的水因尚未被人动过,一般较纯净清洁;选曲房,得在草屋,勿用瓦屋,因为草屋的密闭程度胜于瓦屋,便于保温、保湿、避风;地须净扫,不得秽恶。在制曲时,不得令杂人接近曲房。这些措施表明当时制曲已十分强调曲房的环境卫生和气温、湿度及用水的洁净,以利于霉菌的正常繁殖。

在贾思勰生活的那个时期,神曲大致代表了一批酿酒效能相对较强的酒曲。但这样的命名和分类还不是很严格。其后,人们在实践中有意识地筛选和培植霉菌,逐渐地使大多数酒曲都具有较强的酿酒效能,所以神曲原有的权威性逐渐消退,含义也发生了转变。唐代孙思邈的《千金要方》及其他一些医学著作中,“神曲”则已是指那些专门用于治病的酒曲了。明代宋应星在其《天工开物》中说:“凡造神曲,所以入药,乃医家别于酒母者。法起唐时,其曲不通酿用也。”意思是神曲是入药的,所以称其为神曲就是为了把它与酿酒的曲区分开来。据此宋应星在“曲糵”篇里专列一节讲此神曲。

(注: 《天工开物》书影)

笨曲即粗曲之意,是相对神曲而言,不仅其酿酒效能较弱,而且块型较大,配料单纯,制曲时间也不强求在七月的中寅日,制作过程的要求也不像神曲那么严格,总之,较为粗放,故谓笨曲。例如《齐民要术》中介绍的“秦州春酒曲”(秦州在今甘肃天水、陇西、武山一带),其制法是:

笨曲制作在工艺过程上与神曲没什么根本的差别,但是有以下几点值得注意:①制曲时间,神曲在夏历七月十日至二十日,笨曲则放宽至六月至八月。②神曲使用蒸、炒及生麦,笨曲只用焙炒的小麦。③神曲厚1~2厘米,6厘米见方的方形,笨曲则厚6厘米,长宽可达30多厘米。④神曲管理细致,笨曲管理粗放。

其中有两点,“磨不求细;细者酒不断;粗刚强难押”指的是粉碎曲料不求细,过细使酒液浑浊,不利压榨分离。这里讲的仅是曲料过细影响以后酒糟与酒液的分离。事实上曲粒过细,还会造成曲块过于黏结,水分不易蒸发,热量也难以散发,以致微生物繁殖时通风不良,培养后便容易引起酸败及发生烧曲现象,将会影响酒质;假若曲粒过粗,曲块中间隙大,水分即难以吃透,又容易蒸发散去,而热量也易散失,使曲坯过早干涸和裂口,影响有益微生物的繁殖。这一道理,当时的酿酒师并不明了,所以《齐民要术》认为将曲料的粉碎“唯细为良”,要求捣到“可团便止”,方法是用手团而不是用脚踏,似乎也含有避免过黏的意思。第二点是要求对制成的曲“反复日晒,令极干”。曲要晒得很干,并经过一定时间的存放后才能使用,其目的是使制曲时所繁殖的杂菌在长期干燥的环境中陆续死灭、淘汰,可提高曲的质量。神曲多用于冬酒酿造,而笨曲多用于春夏酒。笨曲存放时间较神曲长。

实际上,曲的质量不仅在于它能杀米多少,即酿酒效能,还在于它本身的菌种质量,也就是说好品种的曲才能酿出好酒。神曲酿出的酒未必一定是好酒,笨曲有时也能酿出好酒。当今一些著名的黄酒,其麦曲的用量与原料米的百分比都较高。例如,江苏丹阳特产甜黄酒为8%,山东即墨黄酒为13%,浙江绍兴酒约为15%。这些酒除用麦曲外,还要另加酒药或酒母。这些酒用曲量都较《齐民要术》的神曲指标高。由此可见,只以杀米量作为曲好坏的标准是不科学的,将酒曲分成神曲、笨曲的分类原则(杀米多少)也并不完全可取。所以在宋代《北山酒经》中就无“神曲”的称谓了。

《齐民要术》中介绍的“白醪曲”,按酿酒效能似乎介于神曲与笨曲之间;“方饼曲”接近于笨曲;“女曲”接近于神曲。“黄衣”、“黄蒸”都是散曲,贾思勰将它与糵放在一起另成一篇,是因为黄衣、黄蒸当时主要是用于制豆豉、豆酱及酱曲,而非用于酿酒。糵主要用于制糖。据农史专家缪启愉研究,《齐民要术》内的黄酒和黄酒酿造可分三大类。第一类,利用蒸、炒、生三种小麦混合配制的神曲及其他神曲酒类,多是冬酒;白醪酒虽是夏酒,但其所用之曲也是蒸、炒、生三种小麦配制的,故列于神曲篇之后。第二类,单纯用炒小麦的笨曲及其笨曲酒类,多是春夏酒,曲的性能和酒的酿法都不同。“法酒”酿法虽异,但也用笨曲,并且也是春夏酒,故列于笨曲篇之后。第三类是用粟子为原料的白堕曲及其白堕酒。白堕曲属方饼曲,故附于法酒之后。由此可见当时酒的分类在很大程度也取决于曲,即用不同的曲,所酿成的酒归类也不同。

在当时制曲生产中,虽已注意到温度、湿度及水分的控制,但由于整个操作仍属于利用微生物的开放性繁殖,加上对微生物繁殖规律还缺乏科学的认识,抑制杂菌侵入的手段也十分简单,因此在制曲中特别强调制曲季节的掌握。在《齐民要求》中的9种曲,除白堕曲没有说明制曲时期外,神曲5种、白醪曲及春酒曲都要求在农历七月作,只有笨曲中的颐曲可以在九月作。可见对制曲的诸因素的调控在很大程度上还依赖自然环境的变化规律。这种状况一直延续到近代。

《齐民要术》只介绍了散布在黄河中下游地区的多达40种的酿酒法,它们分别被列在某种曲的下面,表示是使用该种曲酿造的。造酒法中大多包括以下内容,首先是关于曲的加工,如碎曲、浸曲,以及淘米、用水等酿酒的准备工作,以下再具体介绍酿造某种酒的方法,工艺过程大同小异。所以下面只举“作三斛麦曲法”一例来作典型说明。

(注: 《齐民要术》中的“三斛麦曲法”酿酒工序图)

其他酿酒法的工序大致类同,基本工序是:

1.将曲晒干,去掉灰尘,处理得极干净。然后研碎成细粉。处理得当与否,必然会影响酿成酒的过程和质量。

2.浸曲三日,使曲中的霉菌和酵母菌恢复活力,并得到初步的繁殖。发酵作用中会逸出碳酸气,因而产生如鱼眼的气泡。到这时,此醪液可以投饭了。将水、曲、饭一起制成醪或醅,再发酵成酒,这是最早的技术。从汉代起人们更多地采用先制酒母而后酘饭,这技术在《齐民要求》中得到很好的展示。

3.一切用具必须清洁,避免带入污染物,尤其是带入油污,用水也须洁净,最好是河水。

4.米要绝令精细,淘洗多遍。对米的处理要求“绝令精细”,即舂得精白,是有道理的。因为糙米外层及糠皮杂质含蛋白质脂肪较多,会影响酒的香气及色泽。但是米的淘洗也不应过度,若多了,反而会损失大量营养的无机成分,所以“淘米须极净,水清为止”是合适的。秫米、黍米的饭要炊得软熟些,糯米则可以不必蒸,而采用在釜中以沸水浇浸。投入发醪液的饭必须摊放凉后,才可下酘。

5.至于每次酘饭多少,什么时刻酘,要依“曲势”而定。曲势实际上指的是发醪液的发酵能力。即根据曲中糖化酶、酒化酶的活力而定。古时酒工判断“曲势”主要依靠他们的操作经验。

贾思勰在著述中进一步强调了酿酒的季节和酿酒用水。他认为选择春秋两季酿酒较好,尤其是桑树落叶的秋季,这时候天气已稍凉,酿造过程中不再存在降温问题,保持微温也较容易。选择酿酒时节,目的是便于酿酒过程的温度控制。冬季酿酒,环境温度低,不利于酵母菌的活动,需要采取加温和保温措施。为此,贾思勰提出,天很冷时,酒瓮要用茅草或毛毡包裹,利用发酵所产生的热来维持适当的温度;当酿酒瓮中结冰时,要用一个瓦罐,灌上热水,外面再烧热,堵严瓮口,用绳将它吊进酒瓮以提温度,促进发酵。这种加温的土办法很有趣,体现了酒工的智慧。关于夏季酿酒,则必须采取降温措施,例如把酒瓮浸在冷水中。

酿酒历来重视水质,贾思勰对此也有很清楚的了解。他说:“收水法,河水第一好;远河者取极甘井水,小咸则不佳。”又说,“作曲、浸曲、炊、酿,一切悉用河水。无手力之家,乃用甘井水耳。”因为天然水中或多或少地溶解有多种无机和有机物质,并混杂有某些悬浮物,这些成分对于酿酒过程中的糖化速率、发酵正常与否及酒味的优劣都很有影响。例如水中氯化物如果含量适当,对微生物是一种养分,对酶无刺激作用,并能促进发酵。但含量多到使味觉感到咸苦时,则对微生物有抑制作用了。所以要“极甘井水,小咸则不佳”。贾思勰所熟悉的黄河流域地下水一般含盐分较高,所以井水往往会带有咸苦味。当然也有少量的泉源井水,其盐分含量较低,味道淡如河水,通常称其为甘井水。一般河水虽然浮游生物较多,但其所含盐分是较低的。尤其是冬季,其中浮游生物也较少,所以冬季的河水可直接用于酿酒作业。其他季节则常用熟水,即煮沸过的冷水。总之,对酿酒用水的水源和水质必须加以慎重的鉴别和选择。贾思勰反复强调了这点,正说明他把握住了关键。

在《齐民要术》关于酿酒法的记载中,除对酿酒季节的分析、酿酒温度的控制、酿酒用水的选择外,还有几项技术要领也突出地反映了当时酿酒的工艺水平。

1.酿酒法大都采用分批投料法,表明此法已经实践检验,被酿酒师普遍认可。经验发展的关键是对分批投料不是采取定时定量,而是根据曲势来确定。这就排除了曲本身质量或外部环境条件等因素对发酵过程所产生的影响。这显然是一个进步。

2.介绍了几种制酒的方法,接近于固态发酵。例如“黍米酎法”,它的酿造过程中,制醪不是浸曲法,而是将曲粉,干蒸米粉混匀,与冷却至体温的粥混合,搅拌,务必均匀,制成醅状,然后盖上瓦盆,用泥密封,进行发酵。加水很少,基本上属于固态发酵。发酵时间长达半年或半年以上,酒度较高,以致酒的颜色像麻油一般,浓酽味厚,放三年也不会变质。平时酒量在一斗者,饮此类酒则至多饮升半。这项酿酒工艺表明当时固体发酵又有了进步。近代山东即墨老酒的酿制方法与此相类似。近代中国传统的蒸馏酒工艺中,将蒸料与曲末拌匀入池,然后入池封项进行复式发酵,就与此法相似。

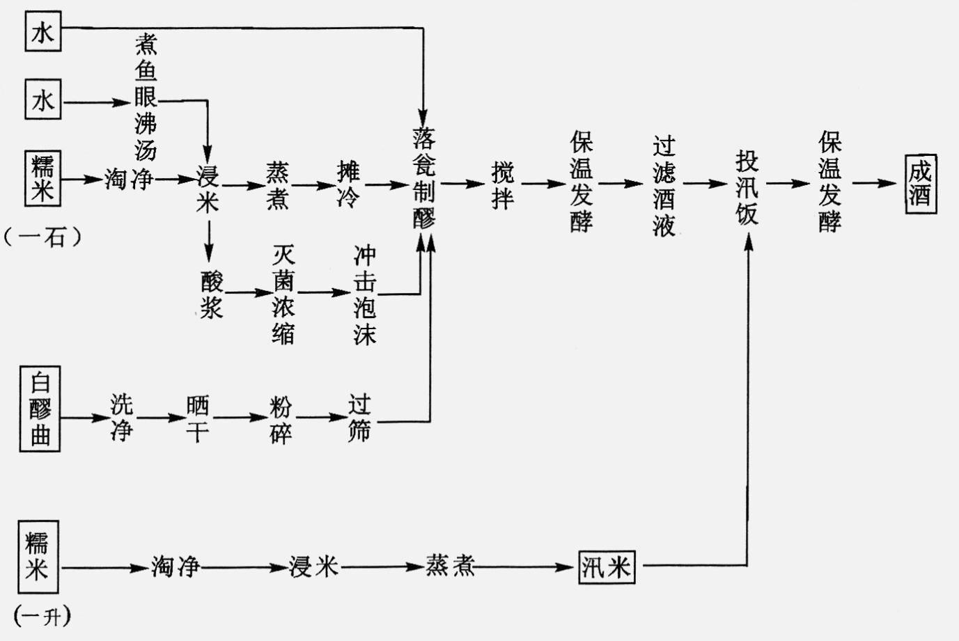
3.在用白醪曲酿制白醪的方法中提到了浸渍原料米以酸化米质。其酿酒工序图如下所示。

(注: 《齐民要术》中酿白醪法的工艺流程)

白醪是在夏季高温条件下,用白醪曲和原料米速酿而成。这是此酿酒法的一个特点。在此工艺中首次提到了浸渍原料米。浸米的一般目的在于使原料米淀粉颗粒的巨大分子链由于水化作用而展开,便于在常压下经短时间蒸煮能糊化透彻。但在此法中,浸米的目的还在于使米质酸化,并取用浸米的酸浆水作为酿酒的重要配料。酸浆可以调节发酵的酸度,有利于酵母菌的繁殖,对杂菌还起抑制作用。这是用酸浸大米及酸浆调节发酵醪中酸碱度的最早记载。该书下篇的“冬米明酒法”和“愈疟酒法”中也采用了浸米的酸浆水。这种调酸的方法后来在南方许多地区的酿酒中被继承和推广,《北山酒经》就作了较详细的论述。

4.低温酿酒法的推广。无论是冬酿或春酿,都是在低温季节进行。主要目的在于利用低温可防止醪液酸败和杂菌繁殖。低温条件下,醪液发酵时升温缓慢,不仅有利于酵母菌活动,而且也抑制杂菌的污染。古人是在实践掌握了这点,现代科技知识证实这是优质酒酿制的重要条件。《齐民要术》中介绍的粟米酒法就是一个典型。

5.《齐民要术》中介绍的“粟米炉酒法”,将白曲与小麦、大麦、糯米,置于瓮中发酵而成,浇饮以汤。古代称其为“芦酒”,就是今天仍流行于西南少数民族中的咂酒。

6.由于工艺操作不当,酒变酸是易发生的,为此贾思勰介绍了一种当时医治酒发酸的方法。这方法主要是利用了木炭来吸附酒液中的乙酸(醋)成分。

贾思勰所收集的资料主要局限在黄河中下游地区,对于我国辽阔的疆域和多民族的文化,遗漏或不全面是肯定的,但是人们不能不承认《齐民要术》关于酿酒的记载,确实反映了汉晋时期中国酿酒技术所呈现的水平。制曲酿酒中许多技术措施都是先民对霉菌等有益酿造菌的扶植和繁衍手段。

中国传统酿造:酒醋酱